Đặc điểm nổi bật
Máy mài phẳng tự động 3 trục thủy lực DAE SAN DGS-1050A là lựa chọn dành cho các xưởng cơ khí quy mô lớn, chuyên gia công chi tiết phẳng khổ lớn và chạy hàng theo lô với yêu cầu bề mặt đồng đều giữa nhiều mẻ. Nhờ tiến dao xuống tự động và hỗ trợ vận hành tự động hoàn toàn trên 3 trục, kết hợp bàn máy và bệ trượt vận hành bằng thủy lực giúp máy chạy nhịp ổn định, giảm thao tác canh chỉnh thủ công và giảm phụ thuộc tay nghề khi mài liên tục.
Dòng máy này phù hợp để hoàn thiện sau phay, tiện hoặc tôi nhiệt cho các bề mặt lắp ghép của tấm đế, tấm chuẩn, khối chi tiết, đồ gá cỡ lớn, tấm khuôn và chi tiết máy kích thước lớn trong cơ khí chế tạo, khuôn nhựa, khuôn dập và phụ tùng công nghiệp, đặc biệt khi xưởng cần duy trì chất lượng ổn định trong vận hành sản xuất.
- Thân máy, bàn máy, bệ trượt và trụ được chế tạo từ gang chất lượng cao
- Kết cấu gang cứng vững, ổn định cho mài chính xác
- Tiến dao xuống tự động, hỗ trợ vận hành tự động hoàn toàn trên 3 trục
- Bàn máy và bệ trượt vận hành thủy lực cơ khí, đảo chiều bằng công tắc tiệm cận
- Ray trượt dạng chữ V kép trên cả trục dọc và trục ngang, phủ Turcite-B và được bào cạo thủ công chính xác, đảm bảo hiệu suất tối ưu và duy trì độ chính xác mài lâu dài
- Vít me bi tiến dao ngang và vít me tiến dao dọc được tôi cứng và mài chính xác
- Trục chính dạng cartridge, sử dụng ổ bi tiếp xúc góc chính xác cấp P4
- Động cơ trục chính cấp V3, vận hành êm, không rung động
- Hệ thống bôi trơn tự động liên tục cho toàn bộ bề mặt trượt và vít me
- Kết cấu chống bụi hoàn toàn cho các bề mặt trượt
- Tấm chắn dung dịch làm mát toàn chiều dài
- Bảng điều khiển trung tâm tiện lợi, tích hợp đầy đủ nút và công tắc
- Bộ điều hòa nhiệt độ dầu (tùy chọn) giữ dầu ổn định ở nhiệt độ không đổi, đảm bảo độ chính xác lâu dài

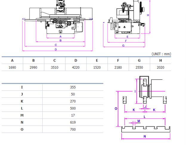
Máy mài phẳng tự động 3 trục thủy lực DAE SAN dòng DGS-1050A
Thông số kĩ thuật
Model | Đơn vị | DGS-1050A | ||
Bàn máy | Kích thước bề mặt bàn | mm | 1050×500 | |
Hành trình tối đa (DxR) | mm | 1150×540 | ||
Khoảng cách từ bàn đến tâm đá mài | mm | 700 | ||
Rãnh T (RxSL) | mmxno. | 17x3 | ||
Bàn từ điện (DxRxC) | mm | 1000×500×90 | ||
Lượng tịnh tiến dao tay mỗi vòng quay | mm | 47 | ||
Tốc độ tiến dao bàn máy bằng thủy lực | m/phút | 0.5~25 | ||
Tiến dao ngang | Tiến dao thủ công | Lượng tịnh tiến dao tay mỗi vòng quay | mm | 5 |
Lượng tịnh tiến dao tay mỗi vạch chia | mm | 0.02 | ||
Tiến dao tự động | Tiến dao thủy lực gián đoạn | mm | 0.5~20 | |
Tiến dao thủy lực liên tục | m/phút | 0.1~1 | ||
Tiến dao dọc | Tiến dao thủ công | Lượng tịnh tiến dao tay mỗi vòng quay | mm | 1 |
Lượng tịnh tiến dao tay mỗi vạch chia | mm | 0.005 | ||
Tiến dao xuống tự động theo mỗi lượt hành trình bàn máy | mm | 0.002~0.03 | ||
Tiến dao dọc nhanh | m/phút | 0.5 | ||
Đá mài | Kích thước đá mài (đường kính x bề rộng x đường kính lỗ) | mm | Ø355×50ר127 | |
Tốc độ (50/60Hz) | rpm | 1425/1725 | ||
Động cơ | Động cơ trục đá mài | kw/p | 5.5/4 | |
Bơm thủy lực | kw/p | 2.2/6 | ||
Tiến dao dọc nhanh (nâng hạ bằng động lực) | kw/p | 0.4/4 | ||
Kích thước đặt máy (DxRxC) | mm | 4220×2550×2020 | ||
Trọng lượng (xấp xỉ) | kg | 5400 | ||
Số hiệu nắp chân đá mài | DGS-1000 | |||
Kích thước một số bộ phận trong máy mài phẳng tự động 3 trục thủy lực DAE SAN dòng DGS-1050A
Thông tin liên hệ
Để sở hữu máy công cụ và thiết bị cơ khí chất lượng cao, phù hợp cho nhiều nhu cầu sản xuất và gia công khác nhau, hãy liên hệ ngay với CTCP Thương mại và Công nghệ Á Châu – đối tác tin cậy của các doanh nghiệp cơ khí trên toàn quốc.
Hà Nội: 0912 002 160 – 083 602 9594
Hồ Chí Minh: 097 958 0571 – 098 858 9709
Chúng tôi cam kết mang đến sản phẩm chính hãng, dịch vụ chuyên nghiệp và giải pháp tối ưu giúp khách hàng nâng cao hiệu quả sản xuất.



